Author Login Chief Editor Login Reviewer Login Editor Login Remote Office

Computer Engineering ›› 2026, Vol. 52 ›› Issue (3): 441-450. doi: 10.19678/j.issn.1000-3428.0069879

• Interdisciplinary Integration and Engineering Applications • Previous Articles     Next Articles

Bridge Dynamic Strain Prediction Based on Stacked GRU Neural Network

LIU Xiaoyu1,2,*(), LIAO Zhifang2, TAN Sui1,3,4, YU Zhiwu1,3,4   

  1. 1. National Engineering Research Center of High-speed Railway Construction Technology, Changsha 410075, Hunan, China
    2. School of Computer Science and Engineering, Central South University, Changsha 410075, Hunan, China
    3. China Railway Group Limited, Beijing 100039, China
    4. School of Civil Engineering, Central South University, Changsha 410075, Hunan, China
  • Received:2024-05-21 Revised:2024-09-01 Online:2026-03-15 Published:2026-03-10
  • Contact: LIU Xiaoyu

基于堆叠GRU神经网络的桥梁动应变预测

刘啸宇1,2,*(), 廖志芳2, 谈遂1,3,4, 余志武1,3,4   

  1. 1. 高速铁路建造技术国家工程研究中心, 湖南 长沙 410075
    2. 中南大学计算机学院, 湖南 长沙 410075
    3. 中国中铁股份有限公司, 北京 100039
    4. 中南大学土木工程学院, 湖南 长沙 410075
  • 通讯作者: 刘啸宇
  • 作者简介:

    刘啸宇(CCF学生会员), 男, 硕士, 主研方向为代码注释自动生成

    廖志芳, 教授、博士

    谈遂, 教授、博士

    余志武, 教授、博士

  • 基金资助:
    中国中铁股份有限公司科技研究开发计划(2020-专项-02); 中国中铁股份有限公司科技研究开发计划(2021-专项-08); 中国国家铁路集团有限公司科技研究开发计划(L2023G007); 中国国家铁路集团有限公司科技研究开发计划(L2022G007)

Abstract:

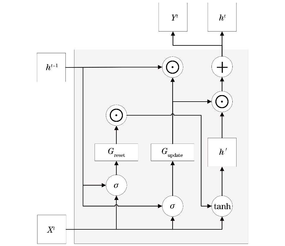
As important infrastructures, bridges may face considerable safety hazards due to the long-term influence of the natural environment and daily loads. Therefore, the health status of bridge structures must be monitored and predicted in real time. In existing studies, issues such as easy errors in prediction errors, poor stability, and lack of real-time performance monitoring have been identified that inhibit the the prediction of health status of complex bridge structures. To resolve the aforementioned issues, this study proposes a Stacked Gated Recurrent Unit (GRU) with Attention and Auto-Cycle (SGRUA) model based on a stacked GRU encoder-decoder. It improves the accuracy and stability of prediction by better capturing long-term dependencies and important features in time-series data and uses a smaller number of parameters to increase prediction speed, making predictions in real time. First, missing values are filled, and outliers are detected and processed for actual bridge monitoring data to ensure that the data meet the integrity and availability requirements for time-series prediction. Subsequently, the SGRUA model is used to predict the bridge dynamic strain index in the time-series, and the effectiveness of the model is verified through comparative tests and ablation experiments. The experimental results show that, compared with the TSMixer time-series prediction model, the SGRUA reduces the Root Mean Square Error (RMSE), Mean Absolute Error (MAE), Mean Absolute Percentage Error (MAPE), and Symmetric Mean Absolute Percentage Error (SMAPE) indicators by 11.07%, 11.02%, 11.00%, and 10.96% on the Bridge B dataset. The SGRUA provides a new and effective method for bridge structure health monitoring and prediction. Additionally, it provides useful solutions for health monitoring problems of other similar structures.

Key words: time-series prediction, deep learning, bridge monitoring, self-attention mechanism, health monitoring

摘要:

桥梁作为重要的基础设施, 由于长期受到自然环境和日常负荷的影响, 桥梁结构可能面临严重的安全隐患, 因此对桥梁结构健康状态进行实时监测和预测变得尤为迫切。在现有研究中, 对于复杂的桥梁结构健康状态预测, 仍然存在预测值易错、稳定性差和实时性不足等问题。为了解决上述问题, 提出基于堆叠门控循环单元(GRU)编解码器的SGRUA(Stacked GRU with Attention and Auto-Cycle)模型, 通过更好地捕捉时间序列数据中的长期依赖关系和重要特征来提高预测的准确性和稳定性, 并利用较少的参数量来提高预测速度使得预测实时化。首先对真实桥梁监测数据进行缺失值填补、异常值检测与处理, 以保证数据满足时序预测的完整性和可用性要求; 随后利用SGRUA模型对桥梁动应变指数进行时序预测, 通过对比实验和消融实验证明了模型的有效性。实验结果表明, 与TSMixer时序预测模型相比, SGRUA模型在桥梁B数据集上的均方根误差(RMSE)、平均绝对误差(MAE)、平均绝对百分比误差(MAPE)和对称平均绝对百分比误差(SMAPE)指标下降了11.07%、11.02%、11.00%和10.96%, 为桥梁结构健康监测与预测领域提供了一种新的有效方法, 同时为其他类似结构的健康监测问题提供了有益的探索与启示。

关键词: 时序预测, 深度学习, 桥梁监测, 自注意力机制, 健康监测